产品特点
♦ 大屏幕LCD显示屏:电池内阻和电压同时显示
♦ 电压测量范围:±6V~±1000V,分辨率10μV*2
♦ 电阻测量范围:3mΩ ~ 3 kΩ,分辨率0.1μΩ *1
♦ 三段电压量程、七段电阻量程的自动或手动测试 *3
♦ 同时测试电阻、电压,速度高达125次/秒 *4
♦ USB/LAN通讯接口,支持SCPI协议
♦ 支持统计运算,通过USB存储数据
♦ 比较器功能:HI/IN/LOW显示分选结果
♦ 调零功能:全量程短路清零
♦ 交流四端子测试
♦ 讯响报警
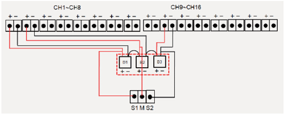
♦ IT5102单机高达16通道测试 ,且支持达17台主从连接扩展 *5
♦ 支持电池在线测试 *6
♦ 可配合ITS5300电池充放电测试系统进行自动化测*1:IT5101E为15mΩ ~ 3Ω, IT5102/5102E为0.01mΩ~2Ω
*2:IT5102/5102E为0~60V
*3:IT5101E、IT5102/5102E电阻为两段量程
*4:IT5101/5101E在Ex_Fast模式下
*5:IT5102E为8通道
*6:IT5101/5101E仅支持离线测量,IT5102/5102E同时支持在线和离线测量
♦ 电压测量范围:±6V~±1000V,分辨率10μV*2
♦ 电阻测量范围:3mΩ ~ 3 kΩ,分辨率0.1μΩ *1
♦ 三段电压量程、七段电阻量程的自动或手动测试 *3
♦ 同时测试电阻、电压,速度高达125次/秒 *4
♦ USB/LAN通讯接口,支持SCPI协议
♦ 支持统计运算,通过USB存储数据
♦ 比较器功能:HI/IN/LOW显示分选结果
♦ 调零功能:全量程短路清零
♦ 交流四端子测试
♦ 讯响报警
♦ IT5102单机高达16通道测试 ,且支持达17台主从连接扩展 *5
♦ 支持电池在线测试 *6
♦ 可配合ITS5300电池充放电测试系统进行自动化测*1:IT5101E为15mΩ ~ 3Ω, IT5102/5102E为0.01mΩ~2Ω
*2:IT5102/5102E为0~60V
*3:IT5101E、IT5102/5102E电阻为两段量程
*4:IT5101/5101E在Ex_Fast模式下
*5:IT5102E为8通道
*6:IT5101/5101E仅支持离线测量,IT5102/5102E同时支持在线和离线测量
产品功能与优势
应用范围
♦ 低电流的条件下来表征机电元件的低阻特性
♦ 各种接触电阻的测试
♦ 碱性电池、铅蓄电池的劣化情况测定及寿命评估
♦ UPS检测
♦ 蓄电池出厂检验
♦ 超级电容等效电阻(ESR)测量
♦ 锂电池内阻和电压测量
♦ 纽扣电池高速量产抽检
♦ 燃料电池组的测量
♦ 电动汽车锂电池等高压电池组的测试
♦ 多节串联高压锂电池内阻和电压测量

多功能保证测量精度
♦ 测量异常检查
能自动检测出测试探头的断线情况和接触不良,为工程师提高测量的可信度。
♦ 平均值功能
通过简易的操作计算平均值,保证测试的稳定性和可靠性。
♦ 交流4端子法
测量阻抗采用的是交流4端子法。测量时可以保证待测物不受测试线的阻抗影响。
支持统计运算功能
♦ 统计运算:利用外部U盘等存储设备,最多能够对n*1000组数据进行运算。适用于工程管理和品质管理。
♦ 测量条件的保存

比较器功能
♦ 阻抗&电压同时判断
♦ 超出Hi/Lo量程可蜂鸣声报警
♦ 综合判断结果输出
♦ 手动比较
♦ 2种设置方法
♦ 比较功能分为绝对比较和相对比较
在线交流内阻测试
常规的电池内阻测试需在充放电结束后才能测试内阻,两次接线不仅大大增加了测试时间,且不利于批量测试,IT5102/5102E电池测试仪可实现在线测试——即在充放电过程中实现对电池内阻的测试,全程只需一次接线,不仅确保测试结果的准确性,更是大大提高了测试效率。

丰富的配件
创芯仪




