通过低至100Hz的分辨率提升对信号的分辨力
DSA700采用数字中频技术,使其拥有低至100Hz的分辨率带宽,可以有效区分相邻等幅信号,提高信号的区分能力。

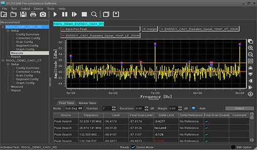
提供EMI预兼容测试发现设计中的问题
DSA700拥有EMI滤波器(6 dB)与准峰值检波器,使EMI预测试/诊断更为准确,更可使用配套软件完成完整测试和生成报告

优异的本底噪声减少对微弱信号测试的影响
微弱信号的测试容易受到频谱仪本身的本底噪声影响。DSA700系列显示平均噪声电平低至-130dBm(归一化到100Hz),可以有效保证对微弱信号的测试能力。

通过快速捕获功能完成ASK/FSK信号抓取
汽车遥控钥匙,TPMS胎压模块及小无线模块等通常使用ASK/FSK调制。DSA700可通过SSC-DSA功能扩展来完成ASK/FSK信号的抓取,并且内置2FSK测试功能,可直接获取其中心频率、功率及偏移等参数。

| 型号 | 频率范围 | 分辨率带宽 | 相位噪声 | 显示平均噪声电平 | 跟踪源 | 价格 |
|---|---|---|---|---|---|---|
| DSA710 | 100kHz~1GHz | 10Hz~1MHz | -80dBc/Hz@10kHz | -130dBm (Normalized to 100Hz) | - | ¥10499(含税) |
| DSA705 | 100kHz~500MHz | 10Hz~1MHz | -80dBc/Hz@10kHz | -130dBm (Normalized to 100Hz) | - | ¥7499(含税) |
创芯仪










