随附具有业界领先性能的探头
作为测量信号路径中的关键元件,示波器探头不容忽视。在购买 3 系列 MDO 时,您将免费获得业内优质的探头。凭借业内优秀的示波器负载 (3.9 pF),TPP 系列探头必将成为您日常使用的随身探头。
查看探头如何影响您的测量
了解 Tektronix 探头如何提高精度
特点
- TPP 系统探头为标配。每条模拟通道一只。
- 3.9 pF 的业内优秀电容性探头负载
- 250 MHz、500 MHz 或 1 GHz 探头带宽,取决于仪器带宽

微小信号测量精度提升高达 40%
测量微小信号时,为获得更佳的测量精度,降低仪器的本底噪声至关重要。3 系列 MDO 中使用的全新前端设计有助于您将噪声测量精度提升高达 40%。评估示波器时,请务必仔细检查示波器的随机噪声技术规格。示波器各不相同,且并非所有示波器制造商均会测试和发布其随机噪声规格。

规格一览
输入通道
- 2 或 4 条模拟
- 16 条数字1
- 1 台频谱分析仪
带宽1
- 100 MHz、200 MHz、350 MHz、500 MHz 或 1 GHz
采样率
- 模拟通道上为 5 GS/s(1 GHz 型号)、2.5 GS(所有其他型号)
- 数字通道上最高 8.25 GS/s(121 ps 分辨率)
记录长度
- 所有通道上 10 M 点
频谱分析仪1
- 1 GHz(标配);3 GHz(选配)
信号发生器1
- 任意波形、正弦波、方波、脉冲、斜坡、三角波、DC 电平、高斯、洛伦兹、指数上升/下降、Sin(x)/x、随机噪声、半正矢、Cardiac
数字电压表2
- 4 位 AC RMS、DC 和 AC+DC RMS 电压测量
触发频率计数器2
- 5 位频率测量
高级分析1
- 自动功率测量
协议支持1
- I2C,SPI
- RS-232、RS-422、RS-485、UART
- CAN, CAN FD, LIN, FlexRay
- SENT
- MIL-STD-1553、ARINC 429
- I2S, LJ, RJ, TDM
- USB 2.0
显示器
- 11.6 英寸(295 毫米)
- 高清彩色 (1920 x 1080) 电容式触摸屏
重量
- 11.7 磅(5.3 千克)
包括探头和附件
1 - 可选装,可升级
2 - 免费注册产品
内置频谱分析仪
不管您是频谱分析仪专家还是临时使用,您都可以让内置频谱分析仪立即开始工作。与其他提供 FFT“频谱分析”的示波器不同,3 系列内置了真正的频谱分析仪。
3 系列与常规示波器 FFT
- 每台仪器标配 1 GHz 最大频率,选配最大 3 GHz 频率
- 一款真正集成的硬件频谱分析仪
- 最高 3 GHz 的超宽捕获带宽
查看工作中的内置频谱分析仪。
功能强大,可升级
立即获取所需的所有调试功能,或在需要时添加这些功能。
- 高达 1 GHz 带宽
- 数字通道:MSO 选项增加 16 条数字通道
- 高达 3 GHz 的频谱分析仪
- DVM/频率计数器(在注册后免费提供)
- 任意波形/函数发生器
- 高级分析
- 串行总线解码和触发
- 自动功率测量
查看 3 系列 MDO 可为您的工作台带来的功能。
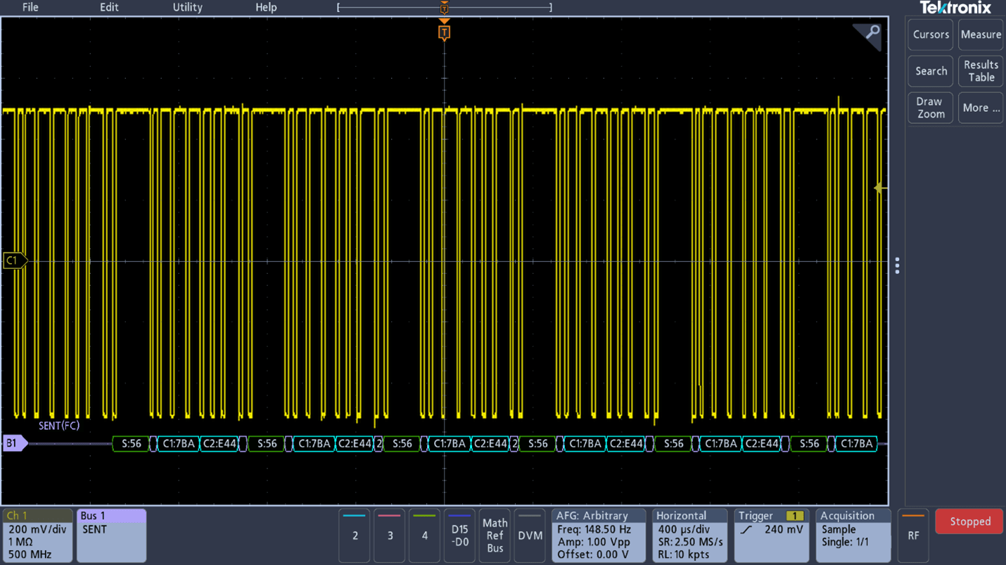
2023 年 7 月的固件版本支持 SENT 总线协议解码分析
SENT 协议解码功能
作为我们提供客户急需产品增强功能的持续承诺的一部分,新的固件更新已准备就绪,可安装在您的 3 系列 MDO 上。 此更新增添了 SENT 协议解码分析,旨在实现可视化或整体系统操作以及系统级调试。


已经有带 3-BND 选项的 3 系列 MDO? 立即获取您的更新。
获取新固件
或者购买 SUP3-SRAUTOSEN 独立许可证或 SUP3-BND 升级许可证,将此功能添加到任何 3 系列 MDO
| 型号 | 模拟带宽 | 模拟通道 | 数字通道数 | 采样率 | 记录长度 | 频谱分析仪 | 报价 |
|---|---|---|---|---|---|---|---|
| MDO32 | 100 MHz - 1 GHz | 2 | 16(选配) | 高达 5 GS/s | 10 M | 最高 3 GHz(可选) | US $5,360 |
| MDO34 | 100 MHz - 1 GHz | 4 | 16(选配) | 高达 5 GS/s | 10 M | 最高 3 GHz(可选) | US $6,440 |
| MDO32 3-BW-100 | 100MHz | 2 | 16(选配) | 5GS/s | 10Mpts | 1GHz(选配3GHz) | 联系报价 |
| MDO34 3-BW-100 | 100MHz | 4 | 16(选配) | 5GS/s | 10Mpts | 1GHz(选配3GHz) | 联系报价 |
| MDO32 3-BW-200 | 200MHz | 2 | 16(选配) | 5GS/s | 10Mpts | 1GHz(选配3GHz) | 联系报价 |
| MDO34 3-BW-200 | 200MHz | 4 | 16(选配) | 5GS/s | 10Mpts | 1GHz(选配3GHz) | 联系报价 |
| MDO32 3-BW-350 | 350MHz | 2 | 16(选配) | 5GS/s | 10Mpts | 1GHz(选配3GHz) | 联系报价 |
| MDO34 3-BW-350 | 350MHz | 4 | 16(选配) | 5GS/s | 10Mpts | 1GHz(选配3GHz) | 联系报价 |
| MDO32 3-BW-500 | 500MHz | 2 | 16(选配) | 5GS/s | 10Mpts | 1GHz(选配3GHz) | 联系报价 |
| MDO34 3-BW-500 | 500MHz | 4 | 16(选配) | 5GS/s | 10Mpts | 1GHz(选配3GHz) | 联系报价 |
| MDO32 3-BW-1000 | 1GHz | 2 | 16(选配) | 5GS/s | 10Mpts | 1GHz(选配3GHz) | 联系报价 |
| MDO34 3-BW-1000 | 1GHz | 4 | 16(选配) | 5GS/s | 10Mpts | 1GHz(选配3GHz) | 联系报价 |
创芯仪












